Вградно казанче Duofix Sigma
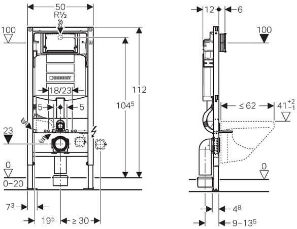
Вградно казанче Дуофикс Сигма,произведено од брендот Геберит. За sидна монтажа или сува монтажа, со облога од гипс картон (18 или 2x12,5mm) Елементот содржи: - монтажна челична рамка ∅ 40/40 со сина Geberit заштитна обвивка -Вградена цистер

На залиха
Вградно казанче Дуофикс Сигма,произведено од брендот Геберит.
- За sидна монтажа или сува монтажа, со облога од гипс картон (18 или 2x12,5mm)
Елементот содржи:
- монтажна челична рамка ∅ 40/40 со сина Geberit заштитна обвивка
-Вградена цистерна Sigma (UP320) со двоволна техника на плакнење изолирана од кондензација
-ногарки прилагодливи во висина 0-20 cm за вградување во профил UW50 или UW75
-2 аголни лајсни за прицврстување на ѕид
-2 завртки со навртки М12 што ја поддржуваат тоалетната школка со конзола (растојание од 18-23 см)
-универзален приклучок за вода 1/2" SN со вграден аголен вентил
- конструктивна заштита на ревизорскиот отвор, кој може да се постави без употреба на алат
- звучно изолиран дренажен уред
-Pe прилагодлив во длабочина во 6 различни позиции, ѕиден лакт за излив ∅ 90/90 mm
-ПЕ преодно парче ∅90/110 mm
- сет на манжетни ∅ 90 mm
- комплет за звучна изолација
- цевка за поврзување на туш тоалет
материјал за прицврстување
Ширина - 500 mm
Длабочина - 1120 mm
Голем опсег на поставување на јачината на испирање - 4,5 l / 6 l / 7,5 l
Мал опсег на поставување на јачината на испирање - 3 l / 4 l
Земја на производство: Швајцарија
Гаранција: 10 години
Шифра: 111.311.00.6
Во моделот фабрички се вклучени и штрафови за монтажа во кутијата од казанот.
https://www.youtube.com/watch?v=Q28D_L7R_0Y&t=2s
https://www.youtube.com/watch?v=0RRCGF0godQ&t=121s